Heavy hex structural bolts are designed for steel-to-steel structural connections. Consequently, they are typically very short. The A325 and A490 specifications are not intended for general applications, including anchor bolts. In these applications, substitutions of A449 for A325 and A354 grade BD for A490 should be considered.
Manufacturing
Fastindo Wiratama manufactures A325 and A490 heavy hex structural bolts from ½″ diameter through 1½″ diameter, typically in lengths longer than those which are normally available in the marketplace.
Stock:
Grade: A325 Type 1 diameters: ½" – 1″
Lengths: 5″ maximum
Origin: Domestic
Finish: Black and hot-dip galvanized
| Bolt Length Tolerance | ||||
|---|---|---|---|---|
| Nominal Length, in. | Nominal Size, in. | |||
| ½ | ⅝ | ¾ - 1 | 1⅛ - 1½ | |
| Thru 6 in. | -0.12 | -0.12 | -0.19 | -0.25 |
| Over 6 in. | -0.19 | -0.25 | -0.25 | -0.25 |
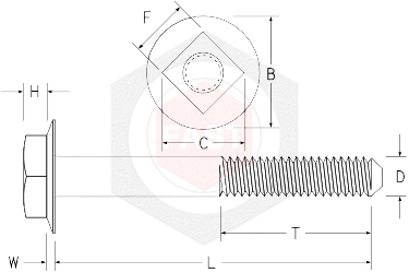
| Structural Bolt Dimensions | ||||||||||
|---|---|---|---|---|---|---|---|---|---|---|
| Bolt Diameter | D | F | C | H | T | |||||
| Body Diameter | Width Across Flats | Width Across Corners | Height | Thread Length | ||||||
| Max | Basic | Max | Min | Max | Min | Basic | Max | Min | Basic | |
| 1⁄2 | 0.515 | 7⁄8 | 0.875 | 0.850 | 1.010 | 0.969 | 5⁄16 | 0.323 | 0.302 | 1.00 |
| 5⁄8 | 0.642 | 11⁄16 | 1.062 | 1.031 | 1.227 | 1.175 | 25⁄64 | 0.403 | 0.378 | 1.25 |
| 3⁄4 | 0.768 | 11⁄4 | 1.250 | 1.212 | 1.443 | 1.383 | 15⁄32 | 0.483 | 0.455 | 1.38 |
| 7⁄8 | 0.895 | 17⁄16 | 1.438 | 1.394 | 1.660 | 1.589 | 35⁄64 | 0.563 | 0.531 | 1.50 |
| 1 | 1.022 | 15⁄8 | 1.625 | 1.575 | 1.876 | 1.796 | 39⁄64 | 0.627 | 0.591 | 1.75 |
| 11⁄8 | 1.149 | 113⁄16 | 1.812 | 1.756 | 2.093 | 2.002 | 11⁄16 | 0.718 | 0.658 | 2.00 |
| 11⁄4 | 1.277 | 2 | 2.00 | 1.938 | 2.309 | 2.209 | 25⁄32 | 0.813 | 0.749 | 2.00 |
| 13⁄8 | 1.404 | 23⁄16 | 2.188 | 2.119 | 2.526 | 2.416 | 27⁄32 | 0.878 | 0.810 | 2.25 |
| 11⁄2 | 1.531 | 23⁄8 | 2.375 | 2.300 | 2.742 | 2.622 | 15⁄16 | 0.974 | 0.902 | 2.25 |
| Dimensions per ASME B18.2.1 2010 These sizes are readily available in the marketplace and Fastindo Wiratama stocks many of them in varying quantities. If you require a size that is not listed, Fastindo Wiratama will manufacture them. |
||||||||||
| Stock Structural Bolts | ||||||||
|---|---|---|---|---|---|---|---|---|
| Length | Diameter | |||||||
| 1/2" | 5/8" | 3/4" | 7/8" | |||||
| Black | Galv. | Black | Galv. | Black | Galv. | Black | Galv. | |
| 11⁄2 | - | 16076 | - | 16092 | - | - | - | - |
| 13⁄4 | - | 16078 | - | 16094 | 16123 | 16124 | - | - |
| 2 | - | 16080 | - | 16096 | 16125 | 16126 | 16021 | 16022 |
| 21⁄4 | - | - | - | 16098 | 16127 | 16128 | - | 16024 |
| 21⁄2 | - | - | - | 16100 | 16129 | 16130 | 16025 | 16026 |
| 23⁄4 | - | - | - | - | - | 16132 | - | - |
| 3 | - | - | - | - | 16133 | 16134 | - | - |
| These sizes are readily available in the marketplace and Fastindo Wiratama stocks many of them in varying quantities. If you require a size that is not listed, Fastindo Wiratama will manufacture them. | ||||||||